CẢM BIẾN TẢI CAS LSS-NR

Ứng dụng: Cân phễu, bồn chứa và silo trong môi trường công nghiệp khắc nghiệt, chống nhiễu điện và xung điện.
Nhà sản xuất: CAS Hàn Quốc
SKU: LSS-NR
Liên hệ
Giao đến
*
*
Phương pháp vận chuyển
Tên
Ngày dự kiến giao hàng
Giá bán
Không có tùy chọn giao hàng nào

LSS-NR: CẢM BIẾN TẢI DẠNG ĐĨA CHỐNG NHIỄU
Noise Resistance Disk Load Cell

LSS-NR là cảm biến tải dạng đĩa bằng thép không gỉ với độ bền điện cao.
Có khả năng bảo vệ khỏi nhiễu điện, xung điện và sét nhờ mạch bảo vệ được tích hợp bên trong cảm biến.
Là loại cảm biến kéo/nén với cấu trúc kín hoàn toàn, phù hợp cho phễu, bồn chứa và cân silo trong môi trường
công nghiệp khắc nghiệt.

CẢM BIẾN TẢI CAS LSS-NR

01. Đặc điểm sản phẩm

  • Loại kéo/nén (Tension/Compression type)
  • Thép không gỉ (Stainless steel)
  • Cấu trúc kín hoàn toàn (Enclosed structure)
  • Tích hợp mạch bảo vệ chống nhiễu và xung điện
  • Chứng nhận CE
  • Thiết kế theo tiêu chuẩn IP68

02. Thông số tùy chọn

  • Phụ kiện loại kéo: khớp cầu ren (Rod end bearing type)
  • Phụ kiện loại nén: nút nén (Rod button) hoặc bi nén (Ball type)
  • Thông số kỹ thuật

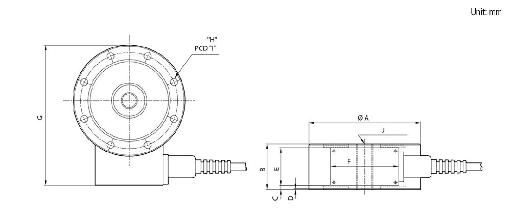
 Bản vẽ sản phẩm

CẢM BIẾN TẢI CAS LSS-NR

Bản vẽ sản phẩm

CẢM BIẾN TẢI CAS LSS-NR

 

Thẻ sản phẩm
chỉ có thành viên mới được trả lời